5600MHzトランシーバの製作
・2400MHz編に5600MHzを作るようになったいきさつを書いた。
・実は少し作り始めていたのである。
・と言う訳で「作ります」と言ってしまったのである。
・2400MHZの基板と同サイズでC450組み込みを意識して製作してみた。
・VCOはPLL一体型なので小さくまとまる。
・ERA1を使ったアンプにSSGの信号を入れてスプリアスの5600MHzを受信してみると
何とか受信できる。しかし送信側がまったくダメであった。
・基板面積が狭いので、ミキサに必要なレベルまでLOを増幅できないのが大きな
原因だと考えられる。
・であれば大きな基板とするしかない。
・大きな基板を入れるには大きなトランシーバとするか、すべて自作するか、である。
・自分はケースの製作が苦手なので、例によって市販トランシーバの改造とする。
・と言うことでC420を入手した。
・今までの改造で回路構成になれているのと改造がやりやすそうであるので、
今回もSTANDARDのトランシーバとした。
・取敢えずこれに組み込むことにした。
・周波数範囲は欲張って5.6GHz帯全域を受信できるようにする。
そのためにはトランスバータのLO周波数固定だと400MHz帯の可変範囲が不足する。
トランスバータのLOも可変にする必要がある。
・5GHz帯のLOをどうするか?
・2400MHzで使った2000MHz帯のVCOを使えないかと実験してみることにした。
・LOの周波数帯は5200MHz〜5400MHzとなるので、1/2か1/3の周波数を発振させて逓倍するようにする。
・2000MHzのVCOを空けて見ると発振回路のLはプリント基板のパターンになっている。
・Lのインダクタンスがレーザトリミングで調整した痕跡がある。
・LはU字型になっており、Uの切れ目をレーザでトリミング調整してある。この部分をカッターで切れ目が深くなるように
カットしてみた。Lの長さが長くなるので周波数が下がる。
・通電して周波数を確認しながらカットすると最低周波数を1650MHzまで下げることができた。
・これを3逓倍すればLOとして使えそうだ。
・1stLOを5200MHz〜5400MHzとして1stIFを400MHzとする。しかし、1stLOはPLLの分解能から20KHzステップとは
できない。20KHzステップは400MHz帯で切り替えるしかない。
つまり2個のVCOをコントロールすることになる。このままトランシーバのCPUでは制御できないので、CPUを交換するしか無い。
・交換するCPUを何にするか、CPUを探した。候補にあがったのはPICのPIC18F85J90とH8マイコンのH8/38076RF
である。PICは5V、H8は3.6Vであるが、トランシーバのCPUは5Vなので、PICにすれば電圧の問題は発生しない。
しかし、LCDコントロールのセグメントのピンが番号順に並んでいないのと、書き込み器が準備できないかも知れない不安で
使い慣れたH8に決定した。
・ただし、H8は3.6Vであるため、電源回路やIO回路に手を加えて3.6V仕様にしなければならない。
・とりあえずCPUを3個入手した。
・次にRF部に組み込む5.6GHzの回路を検討した。
まずはフィルタの実験
・帯域的には良いが、減衰が大きい。通過損失が10dBもある。
(上の線がフィルタ無しのレベル。フィルタを入れると下の線)
・今回も無線LANから外したセラミックフィルタを使ってみよう。
・何だかよく分からない特性。
もともとの信号が波打っているの良く分からない。
信号はERA−1にSSGから1.7GHz台を入れた3倍高調波を見ているが
波打ちが激しい。
・フィルタには穴が2個あるので、削ってみると低い周波数が減衰するようになった。
これで帯域を合わせこめるかも。
トランスバータ部を考えて見た。送信部だけだが、以下のような構成にしよう。

・ブロック図の回路をパターンに作成してプリント基板を作成した。
・部品はminicircuitの部品とした。部品の購入先を探したが見つからず、minicircuitのホームページへたどりついた。
・しょうがないのでカートに部品を選択して入れた。部品そのものはそんなに高くない。
・いろいろ入れて購入手続きをして発送の段階になって、送料が安くないことに気付いた。なんと70ドルもするのだ。
・部品代と変わらない。悩んだが、部品が無いことにははじまらない。エイ!と購入ボタンを押した。
・しばらくするとメールが来た。添付のフォームに用途を書いてサインしてFaxせよとある。
・メールでもいいかなと思い。Amatua-Radio Parsonal Use
だと書いて送ったが、やっぱりFaxしろと返信がきた。
・しょうがないので、添付ファイルに書き込もうとしたがpdfファイルなので(なんでpdfなんだ?)プリントして手書きで
サインした。(そうかpdfでないとサインできない、と言うかサインさせたいのか)
・サインしたがFaxを持ってないので、スキャナで読み込んで、ファイルをメールに添付して送ったら、しばらくして
発送したと返事がきた。
以下は部品を少しつけて実験中の写真。
・LANからはずしたセラミックフィルタを付けようとして、パターンが間違っていることに気付いた。
・セラミックフィルタは電極がセンターについてないのでパターンは対称にならない。間違えないように事前に実験したフィルタの
パターンからコピーしたのにい。
ううんん。そうか、パターンはプリントするときに裏返すのだった。トナーの面を基板側にはりつけるので、裏になる。その裏になった
パターンをコピーして貼り付けて・・・。このパターンを印刷前に裏にして・・・・。おお!元に戻ったのだ。
・小さい基板ならやり直すが、大きいし、ここまで部品載せてしまったし、フィルタは斜めに付けよう。
・とりあえず送信部ができた。と言うより部品付けが終わった。
・VCOをフリーランで発振させて、VRで周波数を可変させて出力を測ろうとしたが、あまり出ない。
・当たり前だ。ミキサに400MHzを入れなければ。400MHzが無くても出てくる方がおかしい・・・。いやDBMとは言え漏れはあるのだ。
・400MHzも同様にフリーランで発振させてミキサに入れる。
・おお!出力が出てきた。スプリアスもだ。
・スプリアスの周波数関係から400MHzの発振出力がおかしい、つまり高調波を含んでいるのでは?
と思い、400MHzの出力を見てみると。
・いやーすごいなー。
・フィルタを入れなければ。
・急遽フィルタを作成した。事前に特性を確認すると以下のような特性だ。まあいいかな。
・このフィルタを入れると、400MHzの高調波はこのように。
・よしよし。これでスプリアスがだいぶへったぞ。(ってか、その写真はどうした。おい=>自分)
・ほぼ部品を載せた基板。まだ受信回路のミキサと第一IF(400MHz)の増幅回路が載っていない。
・第一IFと第二IFのフィルタ(21.8MHz)を実装したところ。小さくて写りにくいので、カメラのレンズに
時計用拡大鏡(目に付けるやつ)を置いて撮影してみた。
・さて、トランスバータ基板はこのくらいで、本体の準備にとりかかろう。
・本体の状況を確認すると、スケルチの動作がおかしい。スケルチが開きっぱなしで、スケルチ
つまみを時計方向へ大きくしてもスケルチが閉じない。ボリュームのガリかなあ。
テスタをボリュームの端子にあてて抵抗値の変化を見ようとしたが、導通が無い??
・こ、壊れている!
・基板からボリュームを取り外してばらしてみた。ボリュームは2連SW付きで構造が複雑だ。
しかもカシメで組み立てられている。
カシメのやつは1度しかばらせない。失敗して再度バラスことはほとんどできないので慎重に
作業する。
・ばらしてみて分かった。ボリュームのスケルチ側の摺動子が取れている。丁度HP8569Bのように。
・白いプラスチックに外れた摺動子を乗っけて撮影した。(レンズの効果絶大)
・HP8569Bの時のようにネジで止めるには小さすぎる。思案のすえ、小さな金属をコの字
状にしてプラスチックを挟み込むように取り付けた。摺動子はプラスチックのボッチが残って
いたので動かないが、コの字の金属が外れそう。そこで金属と摺動子を半田付けした。
これでばっちり外れなくなった。
・組み立てたところ。カシメ部分は再度カシメたが、弱いので接着した。こんど壊れたらもうだめだ。
・次はCPUの交換だ。
・まずCPUを取り去る。(大胆だなぁ)
当然準備したCPU(H8/38076)でいけることは事前に回路図で検討済みである。
・トナー転写で作ったCPU取り付け基板を置いてみる。
・CPUのピン間隔がせまいので、配線を半田付けするランドをそれなりの大きさにするために
CPUを斜めに装着してみた。
・CPUを装着して基板をトランシーバへ両面テープで貼り付け、CPU基板のランドからトランシーバへ
配線した。配線は0.1mm程度のウレタン線を使った。
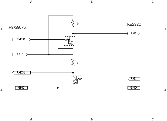
・スピーカの上に乗っているのはなんちゃってRS232Cコンバータである。
・なんちゃってRS232Cコンバータはデジトラを使ったRS232C変換回路です。
・デジトラは入力電圧許容値が−10Vとなっているので、RS232Cの−入力でも大丈夫と考えて
作ってみました。この回路で38400bpsの通信速度でフラッシュ書き込みソフトと通信できます。

・ソフト作成を始めました。キーの機能はパネルの印刷に合わせるしかないので、ほぼオリジナルどおりに
なる。
・ソフト構成を考えてみるとこれが結構難しいと言うか、複雑というか、面倒というか(それだろー)、一筋縄
では出来そうにない。
・ソフトができるまでしばらく更新はお休みです。(オイ)
・まずは、モニタソフトを入れてRAMでデバッグしようと思ったが、ルネサスのWebにモニタソフトが見当たらない。
仕方ないのでメモリ構成のよく似たH8/36094のモニタをダウンロードして書き込んでみたが、まったく動かない。
いずれにせよ必要になるHEWの無償版をダウンロードして再コンパイルしようとした。
まず、モニタの説明を読むとシリアル通信レジスタのアドレスをリンク時に指定するようになっている。ふむふむ
ここでアドレスを指定して再リンクすれば良いのか〜。
・早速、シリアル通信レジスタを指定してリンクして書き込んでみたが、まったく反応なし。書き込みが悪いのかと思い
何度も書いてみたがだめである。
・仕方ないのでソースファイルをながめていると、シリアル通信はTXのENABLEをオンしないと通信しないようで、その
オンする部分がソースにあるのを見つけた。リンクで指定するレジスタと連動していれば問題ないのだが、これはソース
で固定で指定してある。つまりソースを書き換えないとダメなのだ。何のためのリンクでのレジスタ指定なのだろうか
意味がない。
・ソースを書き直したが、これはソースをコンパイルしてライブラリに変換する必要がある。
無償版のHEWなので説明書が無い、問い合わせもできない。
・そういえば以前買ったCPUボードがおまけに付いたトラ技に説明があったなあ。早速トラ技を探し出してライブラリの
作り方を探した。(買っておいてよかった)。
・H8/38076用のライブラリを作成して、モニタをリンクして、CPUへ書き込んだ。
・うまく動作した。
・WebからダウンロードしたH8用Htermを使ってデバッグできる。まず、LDCのセグメントとデータビットの関係を
ビットをONしながら確認する。
・最初の配線では、7セグメント、つまり数字1桁が1バイトに収まっていなかった。
これは元のCPUとH8とではセグメント番号の並びが逆になっており、番号どおりにつなぐと配線がややこしくなる
ので、逆の番号順に配線したためである。配線を2本ずらして、1バイトで7セグメント+小数点を指定できるように
した。
・この確認時におかしな現象が発生した。電源投入後5秒くらいして割り込みが発生する。割り込みベクタ番号と
ベクタ設定が無いとエラーメッセージがでるので、ベクタ番号から割り込みを確認するとNMIである。
・たしかにNMIはマスクできないので、モニタ動作中で割り込みマスクしていても割り込みは可能である。
・デバッグ作業には差し支えないので、デバッグしながら原因を考えてみた。
・NMIだからNMIの信号を確認すれば?確かにそうである。オシロで確認したが全然問題無い。NMIにはフラッシュ
書き込みモード切替機能があり、切り替え回路が接続してあるので真っ先にそれを疑って確認したが問題は見つけ
られなかった。
・電源を入れて約5秒後というのが気なっていたが、全然分からないまま1週間くらい経過した。
何かの作業中にふとひらめいた、NMIの端子が半田付け不良ではないか?
・NMI端子を再半田した。結果ピンポン。あっけなく直ってしましった。
NMIの信号は外部の回路の信号を見ていたので気付かなかった。NMIは通常動作ではプルアップとして、
フラッシュ書き込み時はLOWレベルとする。CPUのNMI端子が半田不良でわずかな隙間で接触してなくキャパシタンス
を持った状態となっており、電源投入時にプルアップ回路からチャージされて通常モード(フラッシュ書き込みではない)
で動作開始するが、時間経過と共にディスチャージしてLOWレベルとなりNMI割り込みを発生したと考えられる。
フラッシュ書き込みモードはプルアップをLOWレベルとして立ち上げるので、チャージ無しでフラッシュモードとなって
モニタの書き込みは問題無くかけたのであろう。フラッシュ書き込みモードにならなければこの時点で気が付いたであろう。
中途半端に動作するので時間がかかってしまった。
・円高だとテレビで言っているのでパーツをMinicircutsに追加注文しようと思った。
じつはGALI-39が3個お亡くなりになったのだ。
・MinicircuitsのWebでパーツを選び注文した。前回のようにサインしてFAXしろとメールが来ると覚悟していたが、注文
を受け付けました。発送します。とメールが来た。
前回の注文で登録されたのかな。サインしてFAXまたはメールしなくて良いなら、便利である。しかし、送料が高いのが
玉に瑕である。今回の送料は81ドルであった。
・え!GALI-39はどうやってお亡くなりなったか??。恥ずかしいから書かなかったが・・・。
・ある日、AC変調がかかった状態でLOの出力をスタブを付けながら調整していた。ふとGALI-39をパラにするとパワー
2倍になるのかと思い、2個パラにした。確かにパワーは強くなったが、電流はもっと増えた。まずい!と思った瞬間
お亡くなりになった。
・落ち着いて良く考えれば、チップの中身はトランジスタの組み合わせにバイアス回路が入っていて絶縁されていない。
パラにするとバイアス抵抗がパラになったのと同じである。電流が流れすぎる。
・この2個を取替えようとして外した後に、1個付けようとしたが、チップの足を半田鏝で押さえたのがいけなかった。本体
のモールドが半田に邪魔された状態で足だけ押さえたので足がモールドからはがれるような格好になった。
どうやら内部の接続が切れたようで、まったく動作しなかった。
・これで都合3個お亡くなりになった。
・2個パラにするなら、電力分配で2つに分けて増幅して、電力合成するのが常道であるが・・・。
FETの腹合わせ、トランジスタファイナルの2パラのつもりでやってしまった。(AC変調のなせるわざ??)
・教訓:AC変調のときは回路をいじらない。
※以前からAC変調のときはリニア(真空管式)をいじらないとしていた。これは失敗したと言うより失敗しないために決めて
いたことだが。プレート電圧が高いのでうっかり触ると、いやーー感電しましたではすまない!命にかかわるので事前に
決めていた。今後は低圧回路でもいじらないようにしよう。
・本日、MiniCircuitsからパーツが届いた。注文してから4日目である。さすがに送料が高いだけあって速い。
(遅くても良いから安くして欲しい、そういう選択肢もあっていいのでは)
・12月某日
回路に蓋を付けるための壁(?)を半田付けした。
・12月某日
小さい部品を付けるのがつらい(近眼の老眼なので)。そこで実体顕微鏡を買ってしまった。
・こんな感じに見える。
(拡大すると汚いなーー)
・照明は手持ちの白色LEDと携帯の電源(TUKA)で作って貼り付けてみた。いい感じである。
・さて、ソフトがほぼ出来上がったので、基板を接続してみる。
設定した周波数になるか、TEKのスペアナでみると、周波数が違う。
・オシロでPLLの設定データを見ると、設定値がおかしい。再度ソフトをよーーくみると。
がーーん、間違っている。(バグとも言うが)。修正してOKとなった。
・送信にしてパワーを測定すると・・・。あれれ、パワーが出ない。−10dBmしか出ない。
なんでーー。
・各部のレベルを計ると、ファイナルのLX5503が動作していないとしか考えられない。
・さてはお亡くなりになったか。
・交換しようと半田吸取りで吸取って、はずす準備をした。
ふと、念のため再度パワーを計ろうと思い、パワーを計ると、なんと出るではないか。
(と言っても数dBmだが)。
・何か変??
・あっちこっちをいじっていると、またパワーが出なくなった。
ええーーー。
・どう考えてもLX5503の動作がおかしい。
・LX5503の電源部分を顕微鏡で見てみた。あれえーー。電極とプリントパターンがずれて
いる。電極とパターンはまったく違う位置だ。半田吸取り時に辛うじて半田ブリッジ状態でくっつ
いていたようだ。ここを補修すると、安定してパワーが出るようになった(まだ足りないが)。
(早速顕微鏡が役立った。)
・パワーが出るといっても少ない、スプリアスも見える。尾ひれを付けてちょいちょいといじると
かなり改善できた。
・あれれ、ご本尊の根元に見えるのはなんだあ。
Tekのスペアナで拡大してみた。
・なんじゃこりゃー
・リファレンス漏れ??。リファレンス漏れだとPLLの電源(特にチャージポンプ)にコンデンサを入れると改善する。
うまくすれば消えるのだが、これはまったく変化なし。
・触診でいろいろ触ってみると、あるところを触ると改善する。
・PLLのそばに配置した、RXコンバータ用FETのバイアス負電源を作る回路である。
・負電源を作る回路を停止するとこのような波形になった。
・そばに配置したのがまずかったかああーー。どこか別の場所に設置することにしよう。
・それにしても出力が少ない10数dBmの出力しか出ないが、電流は300mA近く流れる。これではLX5503を使った
意味がない。このICはデータシート上は20dBm出ることになっている。せめて17dBmは出てほしい。
・え、画像では10dBmでてないが・・・。それは・・・、Tekのスペアナには6dBのATTを外付けしている。このスペアナは周波数
の下限が100Hzとなっており、入力にはコンデンサが入っていない。つまりDC結合である。そのためDCの印加は不可となって
いる。DCを印加すると初段のATTが焼損する。
・本来ならDCカットを入れるべきだが、入手していないので保安のためATTを外付けしている。
・もうちょっとオヒレをちょいちょいとやると16dBm出た。
・あと1dBmだ!
・ちょいちょい・・・・。あ゛・・・・。出なくなった。12dBmだーーーー。
・ちくしょーーー。
・ちょちょいちょいちょいちょい・・・・。14dBmまで回復。
・ちょいちょいちょい・・。あ・・・・減った。
・ちょいちょいちょい・・。14dBmにもどった。
・とりあえずこのへんで・・・。
12月某日
・受信回路をテストした。
・負電源を停止してあるのだが、受信できる。負電源を一時的に生かしてバイアスを調整したが、あまり変わり映えしない。
・負電源停止時でもFETが破損しないようにドレインにある程度の抵抗を入れておいたのがよかったかもしれない。
・ゼロバイアス時の特性から電流を計算すると10mA 25mA(計算間違い修正)位流れているはずだ。
・とりあえずゼロバイアスで使ってみよう。
(※後で落ち着いて考えれば、抵抗をはずさないとバイアス調整の意味がなかった。)
(後日追記:抵抗を変えて電流をバイアスで調整したが20mAくらいが丁度よかった。こんなもん??)
・SSGの信号を3逓倍して受信してみる。
・なんだか音が濁っている。
・2ndLOをスペアナでみると・・・。
・・・・・なんじゃーーー
・どうしてこんな波形になるのぉ〜
・PLLのループフィルタ??
・PLLの電源??
・どれも違うみたい。
VCOが変?いやまてよ・・・・・。
やっぱりVCOが変かなぁ〜(ガリガリと接触不良のような音がでるしぃ)。
・VCOをはずしてみるか。でも小さく作ったのでVCOを外すには、他の部品をはずさねば。
・・・ようやく外したが、一部パターンがはがれた!(トホホ)。
・VCOをばらして見た。
・顕微鏡でよ〜〜く見た。
・特に不良は発見できなかった。
・フリーランで発振波形を見た。
・ええええ。こんなんで良いのぉ??
・試しにC420から外したVCOを見てみると。・・・・同じだった。
PLLでロックしないとこんなもんなんだ。(へぇ〜)。
12月某日
・さて、原因が分からないが、VCOはこれ以上どうしようもないので組み立てて、再び装着した。
・PLLのループフィルタをもう一度確認すると。えええっ!。
・コンデンサを付け忘れている。どうやら最初から付けてないようだ。このせいかぁ??
・コンデンサを付けて見た。・・・・・あまり改善しない。でも上の波形よりましになった。
・あれっっ!、ロックが外れた。
・VCOを押さえるとロックする。
・でも何かの拍子にロックが外れる。
・・・・・、もう一度VCOをはずすか・・・(とほほ)
・VCOを外そうとして気付いた。先だって外したときに半田を吸い取ったが、PLLへの出力回路の抵抗の半田が吸い取られたままだ。
これを半田付けしてロック外れは無くなった。(やれやれ)。
12月某日
・まだ少し波形がおかしい。
・とりあえず信号を受信しながら波形を見ている。
・ふとチャンネンルSWを回すときれいになった。
・おやぁ?
・チャンネルを戻すとおかしくなる。
・え〜っ。何が違うの??。今日はスケルチが掛かるようになっている。
チャンネルを回して信号の無いチャンネンルになると波形がきれいになる。
おやっ、音が出ないと波形がきれい。試しに音をだすとおかしくなる。
音が出て電源が振れているのか、VCOが電源の振れで変調されている!!
・ボリュームを上げると波形が崩れる。これだ!!
・このVCOは発信器が2つある。電源系統は3つだ。受信用電源、送信用電源、それと常に供給する常用電源。
・常用電源はPLLへ信号を供給する回路用、受信用発信器、送信用発信器の両方を共通に増幅するアンプ用だ。
・PLLは常用電源系統から供給している。ここをコンデンサで強化してあったが、受信用発信器の電源は受信用
電源から供給してあり、コンデンサで強化していなかった。
・しまった。ぬかった。
・早速、受信用電源をコンデンサで強化したところ、音を出しても波形はみだれなくなった。
・RESBWを3kHzにしても乱れない にしても乱れが分からなくなった。
やれやれ。
・とりあえず、受信回路が動作するようになった。MMICを使っているので受信時に200mAもの電流を消費する。これは無音時なので音を出すともっと消費するはずだ。QRP送信機並みの消費だが仕方ない。
・現状でのトランシーバブロック図

1月某日
謹賀新年 今年も 宜しく お願い致します。
・LX5503はどのくらい出力が出るのか試そうと思い、LANカードからLX5503の部分を切り出してテスト基板へ取り付けた。
・0dBm位でドライブすると10dBm位出る。
・尾ひれを付けてちょいちょいやると15dBm位になった。ドライブを2dBmとしてちょいちょいすると16.5dBm位出た。
どうやらこれが限度のようだ。ケーブルロスを考えると、やっぱり17dBm位の出力のようだ(?)。
(腕が悪いだけ?、切り出しがまずい?・・・まあ、こんなもんでしょう・・・(イイカゲン))。
1月某日
・お休みも今日まで・・・・。休み中にごそごそやってだいぶ形になってきた。
ごそごそと言っても、物が小さく疲れるので、午前中に1〜2時間、午後に2〜3時間程度。午後だけの日もある。
・回路に蓋をして、電源回路を載せた。
・本体のフラットケーブルで接続して、送信波形を見ると。ご本尊の両側になにやらわらわらと見える。
・拡大してみた。スプリアスが30MHz間隔で並んでいる。
・送信IFを450MHzにしているのがまずいのかなあ。IFを出来るだけ離そうとしてみたのだが。
・IFを450MHzとしてエクセルでLOとのミキシングでどのようなスプリアスがでるか計算してみると。
LOの基本波1770MHzの4倍である7080MHzとIF450MHzとのミキシング波6630MHz
IF450MHzの3倍である1350MHzとLOの5310MHz(1770の3倍)とのミキシングで6660MHz
この2波6660MHz−6630MHz=30MHzのスプリアスである。
・エクセル上でシミュレーションすると、やっぱり400MHzが良さそうなので、送信IFを400MHzとしてソフト変更して
(送信IFの定義を変えるだけ)、CPUへ書き込んだ。
結果このようになった。周波数的にはもっと近くに出ているが、−60dBc程度はあるので・・・。
(えっ!今まで気がつかなかったのかって。いままではパワーを気にしていたので・・・・)
・ほぼ完成なのでケースへ入れたいが・・・。操作のソフトの詳細な詰めがのこっているが、ケースに入れないと操作し辛いのでまずケースに入れることにする。
・しかし、アンテナコネクタがBNCなので、これをSMAに交換したいのだが・・・・。
1月某日
・アンテナコネクタをつくらねば。BNCを取り去ると、穴が大きいのでそのままではSMAコネクタコネクタは付けられない。
・しばらく悩んだが、BNCコネクタをアダプタに加工しよう。
・BNCコネクタを外して・・・。これがなかなか外れない。まあ、工具が無いせいであるが・・・。
・細長いラジオペンチで外そうとしたが、これがなかなか外れない。どうやらラジオペンチでナットの溝に引っ掛けるのは良いが、このときネジをつぶしてしまうようだ。ネジがつぶれて外れなくなる。
・それでも無理やり外して加工した。
・ネジの部分だけ残して、切り取った。絶縁体を取り去ると、丁度SMAの取り付け部のネジがはまる。
・SMAへケーブルをねじ込むときに回ってしまわないように、突起を残すようにヤスリで削った。
・この突起にSMAコネクタのツバの部分を引っ掛けるようにした。
・ただし、ケーブル接続部が短いので、芯線とスリーブで延長したが、どやらミスマッチだったようで、出力が1dBmほど減ってしまった。
・基板など装着状態である。
・受信テストをしていると、何だか変。ときどきVCOがアンロックする。
・VCOの写真の下側の穴からPLLの制御電圧を計れるようになっているが、そこを突くと直る。
・どうやら接触不良のようだ。
・以前もアンロックする現象は出ていたが、原因が複数あったようだ。
・VCOを外すのは大変なので、この穴から再半田してみた。
・とりあえず直ったみたい。
・・・・が、送信がダメになった。送信時にVCOがロックしなくなったのである。
1月某日
・送信側VCOの部品が取れたようだ、VCOを外すしかない。(やれやれ・・・)
・VCOを外して確認した。
・送信側VCOのコントロール部の抵抗が取れている。
222の抵抗が取れてずれている 受信側は・・・ピンの根元の半田にクラックが・・・
・受信側も確認したところ、半田クラックが・・・・。受信時のVCOの挙動がおかしかったのはこのせいだ。
・他のピンも確認して全て再半田した。
・これで調子の悪い現象も納まった。
・本日、カードの明細が送られてきた。MiniCircuitsのパーツ代はレートが88.334円/$であった。(ヨカッタヨカッタ)
1月某日
・VCOを再び組み込んだ。
・とりあえずこれで組み立てよう。
・今回の組み立てたトランシーバの問題点などをまとめると
受信:・400MHz帯の第一IFを端折ったためか、受信感度がいまいち。−80dBmくらいかな。
送信:・出力がいまいち。14dBmくらい。
・若干スプリアスが多目。
・変調が浅い。VCOを取り外し品を使ったためか、変調が浅い。変調回路の抵抗値を見直せば直るとは思うが・・・。
現状は変調が浅いためレピータ用トーンの変調が浅くて効かない。(IFの漏れをトーン付トランシーバで受信してもスケルチが開かない)。
全体:・周波数がずれる。20kHzくらい動く。20kHzは1チャンネルほどなので、2.5kHzずつ補正できるようにしてみた。
・大飯ぐらい。受信で200数十mA、送信で600mAである。MMICはA級増幅なので電流を食う。
オールモードであれば仕方ないところもあるが、FMなので何とかしたいところではある。
これらの問題点を改善するべく2号機を作るかどうか迷うところである。
QSOの度にハンディ持って屋根に登るわけにもいかず。アンテナ直下トランスバータを作らないと実際のQSOは難しいであろう。
2月某日
・アンテナを作って付けたので、写真を撮った。
・アンテナは広帯域にするためAWXタイプとした。垂直偏波とするため同軸の芯線側が上になるようした。
・トランシーバの表示周波数は5760.00MHzである。
・とりあえず、形になったので変更申請しよう。
2月某日
・ハンディの状態の電池運用でパワーがどのくらい出るのかパワー計で測定した。
・えっ!これだけ〜ぇ
・解せないので、再度スペアナでレベルを確認した。
・ちょっと分かりづらいが14dBmはある。
う〜ん、そうだよなぁー。パワー計のセンサを接続したコネクタが悪いのか??
ちなみにスペアナの接続はこんな感じ。
・このケーブルはハムフェアで買ったテフロン(?)ケーブルだ。そうだ、これでパワー計をつないでみよう。
・パワー計を再び引っ張りだしてパワーを計ろうとすると。
・え”っ!
こ、壊れた!!。とほほ!
今度はパワー計の修理かぁ〜
2月某日
・パワー計を開いてテスターで各部をチェックしていると、何故か直った。
・その後、電源入り切りを繰り返すとたまにエラーとなる。こういう素性の物かもしれない。
・早速パワーを計りなおした。テフロンケーブルはNコネのオスなのでNコネのメスーメス変換で接続した。これも素性が分からない物であるが。
・結果このようなパワーを示した。
・このくらいの周波数になるとコネクタによるロスを気にしないといけないとは分かっているつもりであったが、こんなに違うのであれば安物のコネクタではダメだなぁ。
・そうだ、最新スペアナに最短テフロンケーブルで測定してみよう。
・測定結果
・mW表示にすると。
・カメラを準備する間にピークが少しずれたが、まあこんなもんでしょう。
・ということで20mW出力ってとこかな。
・え!、6dBm足すのではって。Refレベルにオフセットを設定できることが分かり6dBを設定した。
・よって表示をそのまま読めば良いのです。(便利!)